FTB-5600
FTB-5600 | PMD-Analysator
Ortsauflösender PMD-Analysator für maximale Netzwerkleistung
Der FTB-5600 ist ein innovativer, streckenauflösender PMD-Analysator, der den Polarisationsmoden-Dispersion (PMD)-Level entlang eines gesamten Glasfasernetzes präzise bestimmt. Mit seiner verteilten PMD-Analyse liefert er deutlich mehr als einen klassischen End-to-End-Gesamtwert: Er lokalisiert gezielt Abschnitte mit auffällig hohen PMD-Werten und qualifiziert sie zuverlässig. Damit erhalten Netzbetreiber eine effektive, zeitsparende und kostengünstige Alternative zu teuren Infrastruktur-Upgrades.
Optimierung bestehender Glasfaserinfrastrukturen
Da der Ausbau neuer Glasfaserstrecken oft sehr teuer ist, setzen viele Serviceprovider auf die weitere Nutzung vorhandener Fasern. Ältere Fasern wurden jedoch häufig aufgrund schlechter Performance – insbesondere wegen hoher PMD – als unbrauchbar eingestuft. Auch niedrigere Datenraten (z. B. 2.5G) wurden oft gewählt, weil man davon ausging, dass bestimmte Fasern für höhere Bandbreiten wie 10G ungeeignet seien.
Mit der Einführung der verteilten PMD-Analyse hat sich dies grundlegend geändert. Diese moderne Messmethode ermöglicht es Netzbetreibern erstmals, das volle Potenzial installierter Fasern auszuschöpfen – selbst bei älteren oder grenzwertigen Leitungen.
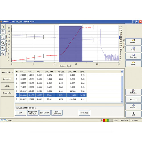
Verteilte PMD-Analyse statt End-to-End-Graubereiche
Traditionelle PMD-Messverfahren liefern lediglich einen globalen Gesamtwert, der nur zeigt, ob eine Verbindung den Test besteht oder nicht. Wurde ein PMD-Test nicht bestanden, blieb jedoch unklar, ob die gesamte Strecke problematisch ist oder lediglich einzelne Abschnitte.
Die verteilte PMD-Analyse des FTB-5600 beseitigt genau diese Unsicherheiten. Sie zeigt PMD als Funktion der Entfernung und ermöglicht damit eine klare, transparente Bewertung jeder einzelnen Faserstrecke.
PMD als Funktion der Entfernung messen
Der EXFO FTB-5600 ist der erste quantitative, ortsauflösende PMD-Analysator auf dem Markt. Die zugrunde liegende Technologie stellt einen bedeutenden Durchbruch im Bereich der Glasfaseranalyse dar. Durch die detaillierte Aufschlüsselung der PMD-Messergebnisse können Netzbetreiber:
- Abschnitte mit hohem PMD-Gehalt sicher identifizieren
- kritische Bereiche exakt qualifizieren
- gezielte Maßnahmen statt teurer Komplett-Upgrades durchführen
Damit wird der FTB-5600 zu einem leistungsstarken Werkzeug für alle Betreiber, die bestehende Infrastrukturen modernisieren, stabilisieren oder für höhere Datenraten ertüchtigen möchten.
Features
Einsatzgebiete
Kompatible Plattform
Bilder
Verwandte Produkte
